Характеристики
          Артикул
                    
                      
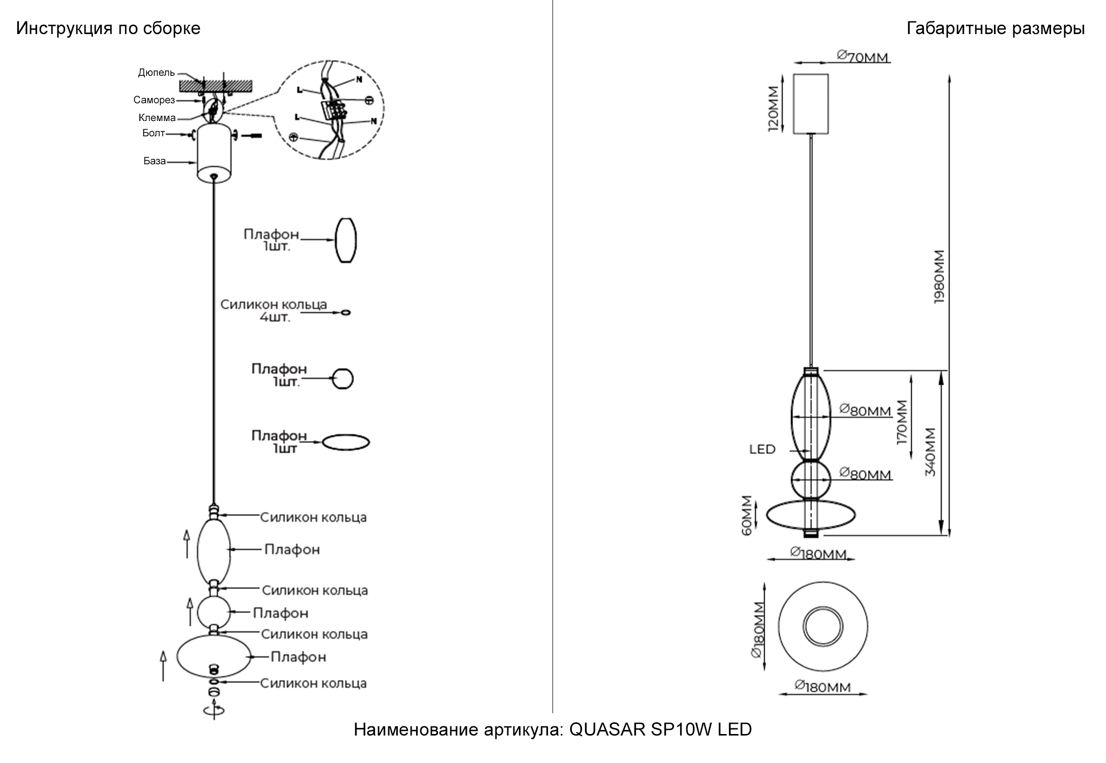
                        QUASAR SP10W LED TRANSPARENT
                      
                    
                  Бренд
                    
                      
                        Crystal Lux
                      
                    
                  Валюта
                    
                      
                        RUR
                      
                    
                  Стиль
                    
                      
                        Неоклассика
                      
                    
                  Коллекция
                    
                      
                        QUASAR
                      
                    
                  Тип
                    
                      
                        Светильник подвесной
                      
                    
                  Код
                    
                      
                        3791/210
                      
                    
                  Высота изделия, мм
                    
                      
                        340
                      
                    
                  Высота цепи/троса, мм
                    
                      
                        1640
                      
                    
                  Высота с цепью/тросом, мм
                    
                      
                        1980
                      
                    
                  Диаметр, мм
                    
                      
                        180
                      
                    
                  Цоколь
                    
                      
                        LED
                      
                    
                  Мощность лампочек, Вт
                    
                      
                        10W
                      
                    
                  IP
                    
                      
                        20
                      
                    
                  Вес
                    
                      
                        1.18
                      
                    
                  Объём
                    
                      
                        0.015925
                      
                    
                  Материал арматуры
                    
                      
                        Металл
                      
                    
                  Покрытие арматуры
                    
                      
                        Гальваника
                      
                    
                  Цвет арматуры
                    
                      
                        Золото
                      
                    
                  Материал абажура/плафона
                    
                      
                        Стекло/Акрил
                      
                    
                  Цвет абажура/плафона
                    
                      
                        Прозрачный/Белый
                      
                    
                  Пульт
                    
                      
                        нет
                      
                    
                  Страна производитель
                    
                      
                        Испания
                      
                    
                  Количество товаров на центральном складе
                    
                      
                        14
                      
                    
                  Световой поток
                    
                      
                        500Lm
                      
                    
                  Цветовая температура
                    
                      
                        3000K
                      
                    
                  Новинка
                    
                      
                        Новинка 2026
                      
                    
                  
            Отзывы
            
          
          Отзывов еще никто не оставлял
            
           
       
                       
                       
                       
                       
                       
                       
                       
                       
                       
                       
                       
                       
                       
                       
                       
                      